Target Exam

CUET

Subject

Physics

Chapter

Current Electricity

Question:

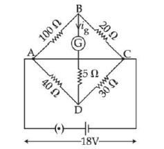
Current through the galvanometer in the circuit given below is

Options:

6.13 mA

33.9 mA

6.69 mA

51.7 mA

Correct Answer:

6.13 mA

Explanation:

The correct answer is option (1) : 6.13 mA

As A and C is shorted, no current will flow through galvanometer

NA