Target Exam

CUET

Subject

Physics

Chapter

Current Electricity

Question:

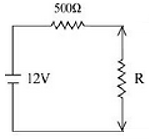
The galvanometer G in the circuit reads zero (no deflection). If the batteries are resistance less, the value of R would be:

Options:

600Ω

1000Ω

24Ω

100Ω

Correct Answer:

100Ω

Explanation:

The correct answer is Option (4) → 100Ω

$R_{effective}=500+R$ [Connected in series]

$V=12V$

$500×\frac{12}{500+R}+R×\frac{12}{500+R}=12$

$⇒R=100Ω$