Target Exam

CUET

Subject

Physics

Chapter

Current Electricity

Question:

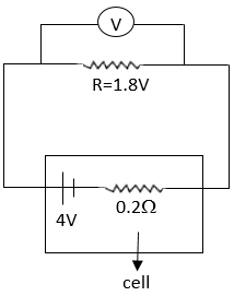
A cell of e.m.f 4 V and internal resistance $0.2 \Omega$ is connected to $1.8 \Omega$ (ohm) external resistance. The potential difference across the terminal of the cell will be:

Options:

4 V

2.8 V

3.6 V

0.4 V

Correct Answer:

3.6 V

Explanation:

The correct answer is Option (3) → 3.6 V

Now,

Current (I) = $\frac{V}{R}$ [By ohm's law]

$=\frac{4}{1.8+0.2}$

$=2A$

∴ Voltage across resistance = $2×1.8=3.6V$